Opis produktu
Zawias wpuszczany z możliwością regulacji w trzech płaszczyznach (poziomej, pionowej oraz głębokości). Mechanizm zawiasu został wykonany z aluminium, a obudowa ze znalu.
Zastosowanie
Model Invisacta 570 dedykowany jest do drzwi drewnianych z grubą opaską.
Odpowiedni do skrzydeł o grubości 40 / 44 mm. Siedem osi obrotu stanowi gwarancję wieloletniej, bezawaryjnej pracy zawiasu.
Prawidłowo zamontowane na skrzydle zawiasy Invisacta 570 umożliwiają pełne otwarcie drzwi do 180°.
Wykończenie
Prezentowany model jest dostępny w wykończeniu chromowanym matowym. Zawias jest dostarczany wraz z czterema dedykowanymi przykręcanymi nasadkami, których kolorystyka odpowiada wykończeniu zawiasu.
Nośność 2 zawiasów
Para zawiasów Invisacta 570 jest odpowiednia do zamontowania na drzwiach drewnianych o wymiarach 600/900 na 2100 i oferuje nośność 60 kg.
Drzwi o wysokości powyżej 2200 / 2300 mm
W przypadku drzwi o wysokości wynoszącej co najmniej 2200 mm, konieczne jest zastosowanie dodatkowego, trzeciego zawiasu, a w drzwiach o wysokości 2300 mm lub większej niezbędne jest zamontowanie czterech zawiasów.
Podczas instalacji należy zwrócić uwagę na to, aby zachować odpowiedni dystans pomiędzy poszczególnymi zawiasami. Niezbędne jest też zamontowanie górnego / dolnego zawiasu w prawidłowej odległości od górnej / dolnej krawędzi skrzydła, w taki sposób, jak zostało to zaprezentowane na zamieszczonym obok obrazku.
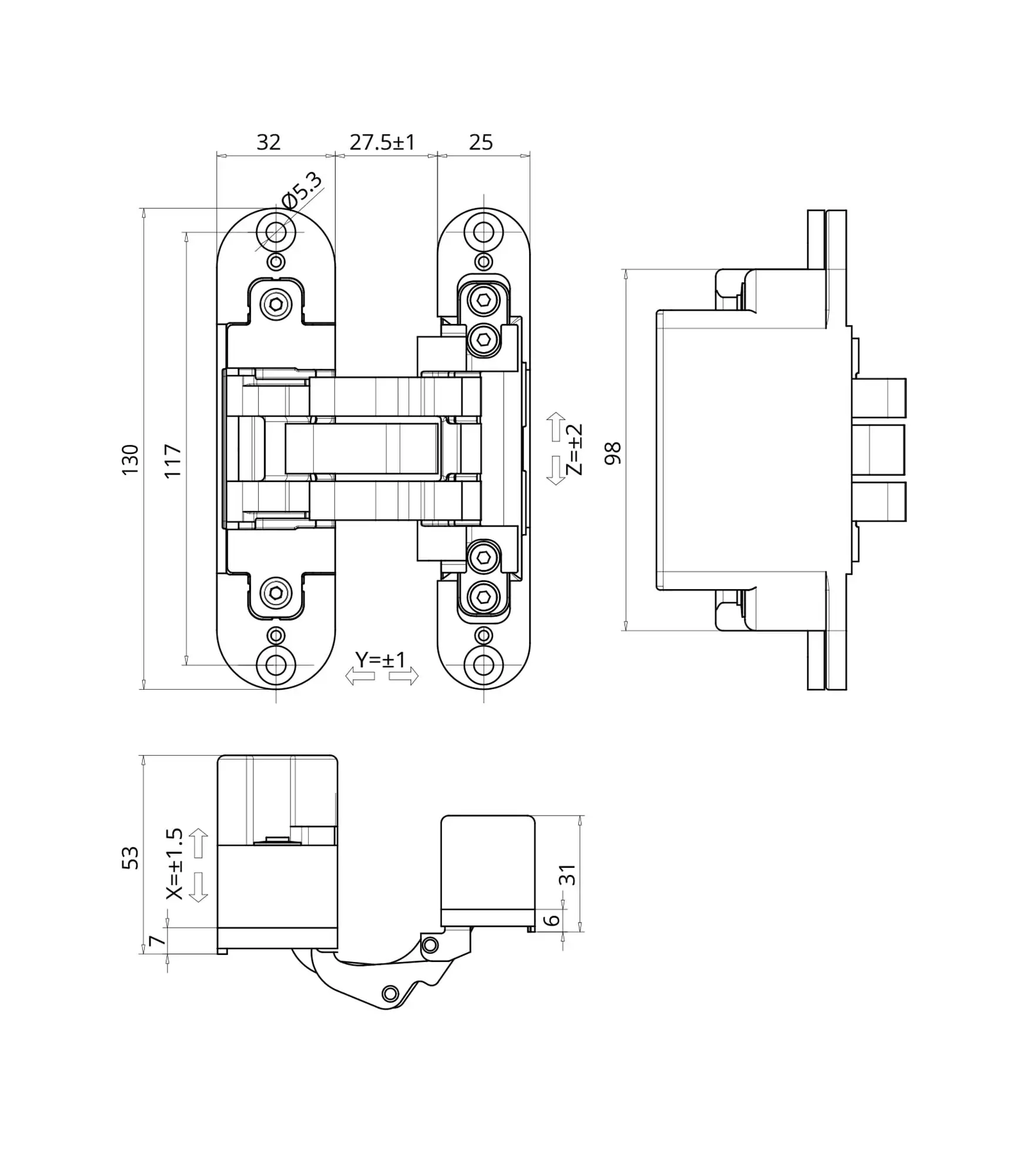
Głębokość frezowania
Warto mieć na uwadze fakt, że minimalna głębokość frezowania w ościeżnicy, niezbędna do prawidłowego zamontowania zawiasów wynosi 31 mm.
Zaprezentowane obok rysunki techniczne obrazują sposób montażu zawiasu w skrzydłach drzwiowych o grubości 40 / 44 mm.
Przyrząd montażowy
Na osobne zamówienie można zaopatrzyć się w specjalne przyrządy do montażu (aluminiowy oraz wykonany z nylonu), umożliwiające precyzyjne frezowanie gniazd zarówno w skrzydle, jak i ościeżnicy.
Prawidłowe osadzenie zawiasów
Poprawne i pewne osadzenie zawiasów oraz wyeliminiowanie ewentualnych luzów jest konieczne w celu zapewnienia prawidłowego działania w każdych drzwiach, nawet tych intensywnie użytkowanych.








